RAVOTECH

Séries WN Dredge Pump

La série WN est une nouvelle pompe de dragage développée par notre société à l’aide de technologies avancées de conception assistée par ordinateur (CAO/CAD). Cette pompe de dragage est largement utilisée sur les dragues à tête de coupe (cutter suction dredgers) ainsi que sur d’autres équipements de dragage.

1. Structure adaptée au dragage
* La pompe de dragage WN est conçue pour s’adapter à différents types de dragues.
* Conception horizontale, mono-étage, à arbre en porte-à-faux.
* Deux modes de connexion au réducteur :
 – connexion rigide directe ;
 – connexion par accouplement avec support indépendant.
* Modèles 300WN à 500WN : corps simple.
* Modèles 600WN à 1000WN : double corps pour une meilleure sécurité et durabilité.
* Démontage frontal, facilitant l’entretien et le remplacement des pièces.
 
2. Bonnes performances de dragage
* Forte capacité d’aspiration et aptitude au dragage en profondeur.
* Fonctionnement possible avec des boues à forte concentration.
* Large passage hydraulique assurant un bon débit.
* Adaptation facile aux différentes distances de refoulement.
* Réglage du débit et de la hauteur par la vitesse de rotation ou le diamètre de la roue.
 
3. Excellente résistance à l’usure et longue durée de vie
* Pièces en contact avec le fluide fabriquées en alliage résistant à l’usure (KmTBCr27).
* Haute dureté (> 58 HRC) pour une longue durée de vie en conditions sévères.
 
4. Haut rendement et excellents bénéfices économiques
* Conception hydraulique optimisée par CFD.
* Usure réduite des pièces internes.
* Moins de pièces de rechange nécessaires.
* Fonctionnement fiable et économique.

Numenclature

Liste des pièces

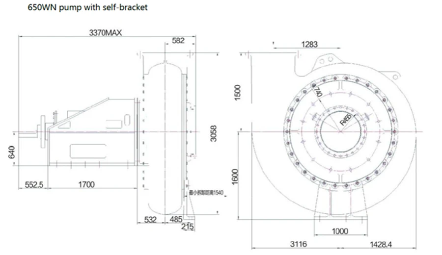
Plan d’encombrement et dimensions

Note : Les matériaux de la pompe peuvent être personnalisés selon les exigences du client.
Si vous ne savez pas quel modèle choisir, veuillez nous indiquer la capacité, la hauteur manométrique et les caractéristiques du liquide. Nous vous recommanderons la pompe la plus adaptée à votre application.