RAVOTECH

Série ZGB Slurry Pump

Les pompes à boues de la série ZGB — caractérisées par de grands débits, des hauteurs manométriques élevées et une capacité de fonctionnement en série multi-étages — sont développées sur la base de plusieurs décennies d’expérience en conception et fabrication de pompes à boues, tout en intégrant largement des technologies avancées et des résultats de recherche nationaux et internationaux.

Caractéristiques principales :
* Méthodes de conception modernes assistées par CAO (CAD) garantissant d’excellentes performances hydrauliques, un rendement élevé et un faible taux d’usure.
* Canaux d’écoulement larges, offrant une excellente résistance au colmatage ainsi qu’une très bonne tenue à la cavitation.
* Systèmes d’étanchéité combinés, avec expulseur + garniture ou joint mécanique, assurant une absence de fuite de la boue pompée.
* Conception axée sur la fiabilité, augmentant significativement le temps moyen entre défaillances (MTBF) de l’ensemble de la pompe.
* Roulements lubrifiés à l’huile, associés à un système de lubrification et de refroidissement conçu de manière rationnelle, garantissant un fonctionnement à basse température.
* Utilisation de matériaux spéciaux résistants à l’usure et à la corrosion pour toutes les pièces en contact avec le fluide (wetted parts).
* Fonctionnement en série à plusieurs étages est autorisé dans la plage de pression admissible, avec une pression de service maximale de 3,6 MPa.
 

Numenclature

Courbe générale de la série ZGB

Les pompes à boues de la série ZGB se distinguent par une structure rationnelle, un rendement élevé, un fonctionnement fiable et une maintenance simplifiée. Elles sont largement adaptées au transport de boues corrosives ou abrasives dans des secteurs tels que la production d’énergie, la métallurgie, l’exploitation minière, le charbon, les matériaux de construction et l’industrie chimique, en particulier pour les applications de manutention des cendres et des scories dans les centrales électriques.

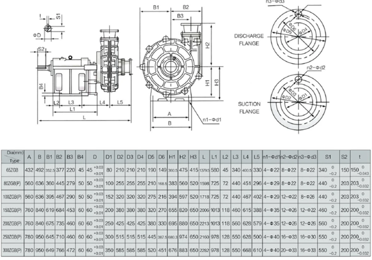
Pump Structure

Pump Head Size

ZGB Slurry Pump Clear Water Performance Data Sheet

ZGB Series Slurry Pump

ZGB Series Slurry Pump

Note : Les matériaux de la pompe peuvent être personnalisés selon les exigences du client.
Si vous ne savez pas quel modèle choisir, veuillez nous indiquer la capacité, la hauteur manométrique et les caractéristiques du liquide. Nous vous recommanderons la pompe la plus adaptée à votre application.