RAVOTECH

Série TH-THH-TM Slurry Pump

Les séries TH, HH et TM sont des pompes centrifuges horizontales cantilever conçues pour le pompage de boues abrasives ou corrosives dans divers secteurs tels que la métallurgie, l’exploitation minière, le charbon, la production d’énergie, les matériaux de construction, le dragage et l’ingénierie municipale.

Caractéristiques principales :
1. Séries TH & THH – Heavy-Duty
Conçues pour les boues très abrasives ou à haute densité.
TH : chemises et roues interchangeables (métal ou caoutchouc).
THH : modèle haute pression avec pièces 100 % métalliques.
 2. Série TM – Medium-Duty
Adaptée aux boues fines et de densité moyenne.
Compatible avec les chemises et roues TH.
3. Options d’étanchéité
Garniture tressée, expeller ou joint mécanique.
4. Orientation du refoulement
8 positions possibles (rotation par pas de 45°).
5. Performance
Longue durée de vie, fiabilité élevée, idéale pour une large gamme d’applications de pompage de boues.

Numenclature

Conception Unique de la Pompe
• Garnitures interchangeables : garniture tressée, joint expulseur ou garniture mécanique disponibles selon l’application
1. Garniture tressée (Gland Packing) compatible avec rinçage à bas débit ou haut débit selon les conditions de service. 
Solution simple, économique, adaptée aux environnements abrasifs
2. Joint d’étanchéité dynamique (Expeller Seal): Réduction des coûts d’exploitation et risque minimal de fuite.
Idéal pour les slurries abrasifs et applications à pression modérée
3. Garniture mécanique (Mechanical Seal) performance zéro fuite, Conception cartouche pour installation et remplacement rapide. Adaptée aux applications exigeantes ou à pression élevée.

Différents types d’entraînement pour diverses conditions de travail

TH, TM Slurry Pump with Rubber Liner Data Sheet

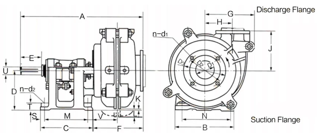
Dimensions of TH,THH,TM Series Pumps

Ensemble de paliers (Bearing Assembly)
1. Arbre haute résistance, conçu pour supporter charges radiales et axiales en environnement abrasif.
2. Conception modulaire, permettant un démontage rapide et une réduction du temps d’arrêt.
3. Lubrification fiable, assurant une longue durée de vie des roulements.
BRACKET (SUPPORT DE POMPE)
1. Construction robuste : support en fonte haute rigidité assurant la stabilité et l’absorption des vibrations et charges d’impact.
2. Refroidissement optimisé : conception nervurée permettant une dissipation thermique améliorée.
3. Compatibilité universelle : interfaces standardisées pour accouplement direct ou entraînement par courroie.

TH, TM Slurry Pump with Metal Liner Data Sheet

THH Slurry Pump Data Sheet

Liste des matériaux

Note : Les matériaux de la pompe peuvent être personnalisés selon les exigences du client.
Si vous ne savez pas quel modèle choisir, veuillez nous indiquer la capacité, la hauteur manométrique et les caractéristiques du liquide. Nous vous recommanderons la pompe la plus adaptée à votre application.